
|
 |
|
 |
 |
 |
 |
 |
 |
 |
|
|
 |
 |
промышленное оборудование - продам |
|
|
|
Всего найдено 20652 объявления |
... 1101 1102 1103 1104 1105 ... |
|
|
|
|
|
|
|
|
 |
24.04.2008 |
(7090079) |
|
|
|
Предприятие ООО "ТЕХНО-ЦЕНТР" производит оборудование для получения порошков: Дробилка для пластмасс (измельчение полистирола), щековая, молотковая. Мельницы шаровые сухого и мокрого помола V=60, 200, 400 л, с обогревом. Мельница планетарная, дисковая, вибрационная, валковая. Мельницы шаровые с фарфоровыми барабанами V=2, 4, 8, 12 л. Мельницы роторно-вихревые высокой производительности для сухого, тонкого измельчения широкого спектра материалов. Аттриторы периодического действия V=30, 60, 200, 400 л. Оборудование для приготовления порошков, паст, перекачивания суспензий: установки валковые, сита протирочные, насосы для суспензий, классификаторы. |
|
|
|
|
|
|
|
|
|
|
|
 |
24.04.2008 |
(7090078) |
|
|
|
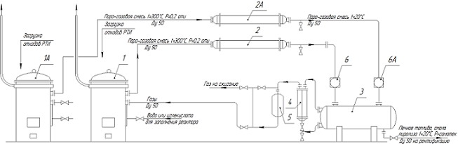
Отходы, утилизация. Оборудование по переработке отходов резино-технических изделий методом высокотемпературной термической обработки (ПИРОЛИЗ) (в т.ч. автомобильных покрышек). В процессе такой обработки получается кондиционная продукция в виде: жидких топлив (растворителей), высокоуглеродистого твердого остатка (технического углерода), металла и газа; евроруберод; отжим фуза; фильтрация масла; экструдеры; отходы; пиролиз; полимеры; дизтопливо и бензин. тел: +380 (67) 653 44 13; fax +380 (652) 700 737. Наш сайт http://biodiesel.crimea.ua/pir_2400.shtml |
|
|
|
Фото: 1 |
|
|
|
|
|
|
|
 |
24.04.2008 |
(7090076) |
|
|
|
Пивоварни. Минипивзаводы BlonderBeer Оборудование в полном комплекте (под ключ) для производства от 300 л до 30.000 л готового, свежего пива в сутки + обучение персонала + рецептура и технология приготовления 3 сортов пива: blonderbeer светлое 12%. irish red - красное 12%. irish black - бархатное 12%. |
|
|
|
|
|
|
|
|
|
|
|
 |
24.04.2008 |
(7090009) |
|
|
|
Продаем шпиндель, мотор-шпиндель, шпиндельный узел для Henninger, Diebold, DMU, IMT, Gamfior, Weiss, Franz Kessler, Antecs, Cytec. zapchasti@finval.ru, 8 800 3333385 (Звонок из регионов России бесплатный), www.parts.finval.ru. Группа компаний Финвал предлагает Шпиндель Antecs, шпиндель Cytec, Шпиндель Henninger, Шпиндель IMT, KW-Abrichttechnik, Weiss: F230A.18.40, F150S.18.29, F170A.18.46, 2SP1202-1HAxx-1DF2, F230A.24.40,. Подбираем аналоги по более выгодным ценам. Доставляем в пределах России. |
|
|
|
|
|
|
|
|
|
|
|
 |
24.04.2008 |
(7090006) |
|
|
|
Продаем MAHLE, HYDAC, PARKER, CUNO, MANN, US FILTER, DONALDSON, INTERNORMEN, STERIS, FINFILTER - Фильтры, Фильтроэлементы, Фильтропатроны zapchasti@finval.ru, 8 800 3333385 (Звонок из регионов России бесплатный), www.parts.finval.ru. Группа компаний Финвал предлагает широкий диапазон фильтров ведущих производителей мира со склада в Москве: фильтры масляные Internormen, сливные фильтры Parker, напорные фильтры Hydac, фильтры Mahle параллельной фильтрации, Steris всасывающие фильтры, воздушные и аквафильтры Cuno, фильтры топливные Donaldson. |
|
|
|
|
|
|
|
|
|
|
|
 |
24.04.2008 |
(7090005) |
|
|
|
Продаем Siemens, Baumueller, Indramat, Allen-bradley, Gettys, Baldor, Toshiba, Heidenhain, Mitsubishi, Сantraves drives, Control Techniques, Sev - Привода, Cервопривода, Электроприводы www.parts.finval.ru, 8 800 3333385 (Звонок из регионов России бесплатный), zapchasti@finval.ru. Группа компаний Финвал предлагает широкий диапазон приводов со склада в Москве: электроприводы, сервоприводы, серводвигатели, сервоусилители, сервомоторы, привода Indramat, сервоприводы Сantraves drives, приводы Control Techniques сервоконтроллеры. |
|
|
|
|
|
|
|
|
|
|
|
|
|
|
|
|
 |
24.04.2008 |
(7090004) |
|
|
|
Продаем: Редукторы импортных производителей, вариаторы, электромоторы, мотор-барабаны, электродвигатели, низковольтное оборудование, electric, Emod, редукторы импортных производителей. В кротчайшие сроки доставляем по России запасные части нашим партнерам, в числе которых ведущие предприятия отраслей промышленности России. Подбираем аналоги по более выгодным ценам. www.parts.finval.ru |
|
|
|
|
|
|
|
|
|
|
|
 |
24.04.2008 |
(7090001) |
|
|
|
Предлагаем гидравлическое оборудование ORSTA со склада и под заказ: гидроцилиндры ORSTA, моторы ORSTA, насосы ORSTA, Фильтры ORSTA, Уплотнения ORSTA, Клапана ORSTA www.parts.finval.ru/orsta.htm, 8 800 3333385 (Звонок из регионов России бесплатный), orsta@finval.ru. ГК Финвал предлагает широкий диапазон гидравлики и компонентов ведущего производителя гидравлического оборудования ORSTA: гидроаккумуляторы, насосы, гидрораспределители, клапаны, манжеты, датчики, распределители, фильтроэлементы, моторы, уплотнения, гидроцилиндры, рем. группы для насосов, гидронасосы, ремкомплекты, вентили, редукторы, гидромоторы, электрокомпоненты, гидроаккумуляторов, фильтроэлементы, реле давления. |
|
|
|
|
|
|
|
|
|
|
|
 |
24.04.2008 |
(7089995) |
|
|
|
Продаем муфты Stieber KTR, муфты Stromag, Heid, PSP Pohony, ZF, муфты Flexlink, муфты Shinko и другое zapchasti@finval.ru, 8 800 3333385 (Звонок из регионов России бесплатный), www.parts.finval.ru. Группа компаний Финвал является поставщиком продукции мировых производителей муфт. Под заказ и со склада в Москве предлагаем дисковые муфты STROMAG, фрикционный муфты KTR, предохранительные муфты без зазора POHONY, магнитные муфты Flexlink, муфты пластинчатые WARNER, упруго-крутильные муфты, муфты обгонные ORTLINGHAUS, упругие муфты AFN, зубчатые муфты BoWex AS, BoWex M, BoWex I, муфты электромагнитные CFN, гидравлические муфты FUMO. |
|
|
|
|
|
|
|
|
|
|
|
 |
24.04.2008 |
(7089990) |
|
|
|
Продаем TIMKEN, FAG, INA, SKF - подшипники шпиндельные fag@finval.ru, 8 800 3333385 Финвал предлагает со склада в Москве: шпиндельные подшипники, подшипники роликовые, подшипники конические, танкетки, сферические подшипники, подшипники игольчатые, опоры линейных перемещений, , шпиндельные подшипники с керамическими шариками. Подбираем аналоги на подшипники TIMKEN, KOYO, NSK, NTN, SNR, GMN, SNFA по более выгодным ценам. Доставка подшипников по России. B71926E- T-P4S-UL B7201ETP4 SUL B7020E T P4S UL B71926E-T B7017E- T-P4S UL B71926ETP 4SDUL B71928ET P4S-PUL RUE, KUVE, TKVD, VUSE, RUS, KUME, KH и многие другие. Torrington, bearing, Gamet, ина, Game, скф, фаг, танкетки. |
|
|
|
|
|
|
|
|
|
|
|
 |
23.04.2008 |
(7089918) |
|
|
|
Иллюстрированный каталог - Станки металлорежущие содержит справочную, графическую и ценовую информацию о металлорежущих станках и металлорежущем оборудовании выпуска 1970-2008 г., производства СССР, России, Украины, Белоруссии. Приведены технические характеристики, фотографии, установочные чертежи 6’408 моделей станков токарных, фрезерных, сверлильных, шлифовальных, ленточных пил, даны сведения о заводах-изготовителях. Каталог содержит Справочник предприятий производителей и поставщиков станков металлорежущих в том числе их прайс-листы |
|
|
|
Фото: 1 |
|
|
|
|
|
|
|
 |
23.04.2008 |
(7089916) |
|
|
|
Каталоги и документация на станки металлорежущие - Станки металлорежущие - Иллюстрированный каталог - Кузнечно-прессовое оборудование - Иллюстрированный каталог - Оборудование деревообрабатывающее - Иллюстрированный каталог - Каталог иностранных фирм - производителей металлообрабатывающего оборудования - Техническая документация и паспорта металлорежущих станков - Каталог предприятий - производителей и поставщиков станков и оборудования - Справочник цен на станки и оборудование Приведены технические характеристики станков, фотографии, сведения о заводах-изготовителях, прайс-листы. |
|
|
|
Фото: 1 |
|
|
|
|
|
|
|
 |
23.04.2008 |
(7089911) |
|
|
|
Печи на отработанном масле Теплон Т-603 от 35 кВт (495) 661-28-39 Печь работающая на отработанном масле с радиальным вентилятором (495) 661-28-39 Воздухонагреватель на отработанном масле (495) 661-28-39 Печь на отработке (495) 661-28-39 Печь на отработанном масле-дешевое решение для отопления промышленных зданий (495) 661-28-39 Тепловое оборудование (495) 661-28-39 |
|
|
|
|
|
|
|
|
|
|
|
 |
23.04.2008 |
(7089901) |
|
|
|
Продаю станок долбежный ГД320, 2007 г.в. - 1 500 000 руб. Цена указана с учётом НДС. |
|
|
|
|
|
|
|
|
|
|
|
 |
23.04.2008 |
(7089897) |
|
|
|
Продаю станок долбежный ГД500, новый - 2 050 000 руб. Цена указана с учётом НДС. |
|
|
|
|
|
|
|
|
|
|
|
|
... 1101 1102 1103 1104 1105 ... |
|
|
|
|
|
|
 |
 |
наверх |
подать бесплатное объявление |
|
|
|
|
|
|
 |

|
Page generation 0.42683 sek.
|